Зірочка HabaCHAIN Split sprockets – Series 1061
Конвеєрні ланцюги доступні в різноманітних матеріалах і можуть бути виконані у вигляді петльової, конічної або магнітної конструкції.
Конвеєрні ланцюги доступні в різноманітних матеріалах і можуть бути виконані у вигляді петльової, конічної або магнітної конструкції.
Опис
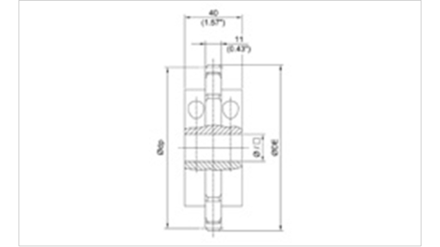
• Роздільна зірочка 1061 підходить для ланцюгів серій 770 і 1061
• Зубці номери 16 і 18 див. Зірочку Multi-Hub 1060
• Конфігурації отворів можуть бути оброблені відповідно до вимог замовника
|
Habasit code |
Number of teeth |
Ø DE |
Diam. of pitch Ø dp |
Material |
||
|
|
mm |
inch |
mm |
inch |
|
|
|
C1061Z14NY |
14 |
116.8 |
4.60 |
113.8 |
4.48 |
NY |
|
C1061Z15NY |
15 |
124.8 |
4.91 |
121.8 |
4.80 |
NY |
|
C1061Z17NY |
17 |
140.8 |
5.54 |
137.8 |
5.43 |
NY |
|
C1061Z19NY |
19 |
156.8 |
6.17 |
153.8 |
6.06 |
NY |
|
C1061Z20NY |
20 |
164.8 |
6.49 |
161.9 |
6.37 |
NY |
• Другие материалы доступны по запросу
• Доступные размеры отверстий:
Круглый [мм] 25, 30, 35, 40
Круглый [дюйм] 1, 1 3/16, 1¼, 1½
Квадратный [мм] 25, 40 Квадратный [дюйм] 1, 1½