Продукція HabaCHAIN виготовляється з якісних пластикових матеріалів, спеціально розроблених для забезпечення оптимальних рішень. Ці матеріали повністю відповідають технічним вимогам обладнання замовника, гарантуючи високу надійність та ефективність.
Продукція HabaCHAIN виготовляється з якісних пластикових матеріалів, спеціально розроблених для забезпечення оптимальних рішень. Ці матеріали повністю відповідають технічним вимогам обладнання замовника, гарантуючи високу надійність та ефективність.
Опис
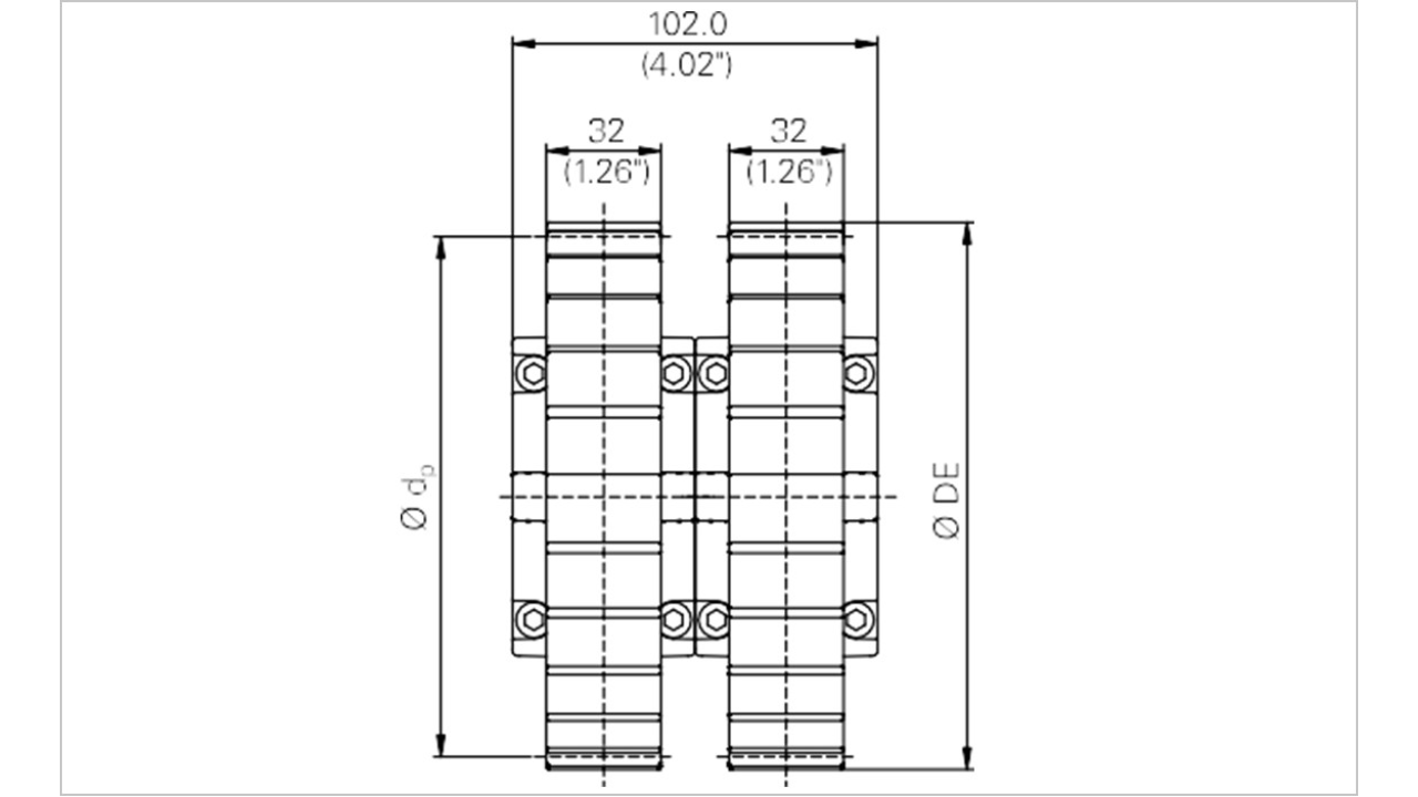
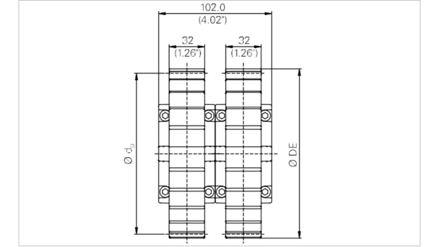
• Зірочка Multi-Hub 821 підходить для ланцюгів серій 800 і 821
• Складається з двох зірочок Multi-Hub 881, встановлених поруч
• За допомогою окремих вставок Multi-Hub можна отримати різні конфігурації отворів
|
Habasit code |
Number of teeth |
Ø DE |
Diam. of pitch Ø dp |
Material |
||
|
|
mm |
inch |
mm |
inch |
|
|
|
C0821G258 |
25 |
153.8 |
6.06 |
153.2 |
6.03 |
GS |
|
C0821G257 |
25 |
153.8 |
6.06 |
153.2 |
6.03 |
ND |
У комплекті поставки: 4 половинки обода зірочки (тип 881), 8 гвинтів, 8 самозакриваючі гайок
• Гайки та гвинти: нержавіюча сталь
• Доступний спеціальний шумопоглинаючий матеріал: ND
Супутні товари
• Вставки Multi-Hub