Продукція HabaCHAIN є відмінним вибором для різноманітних промислових застосувань завдяки своїм унікальним характеристикам, такі як магнітні властивості, які забезпечують надійне управління та утримання деталей у спеціалізованих системах.
Продукція HabaCHAIN є відмінним вибором для різноманітних промислових застосувань завдяки своїм унікальним характеристикам, такі як магнітні властивості, які забезпечують надійне управління та утримання деталей у спеціалізованих системах.
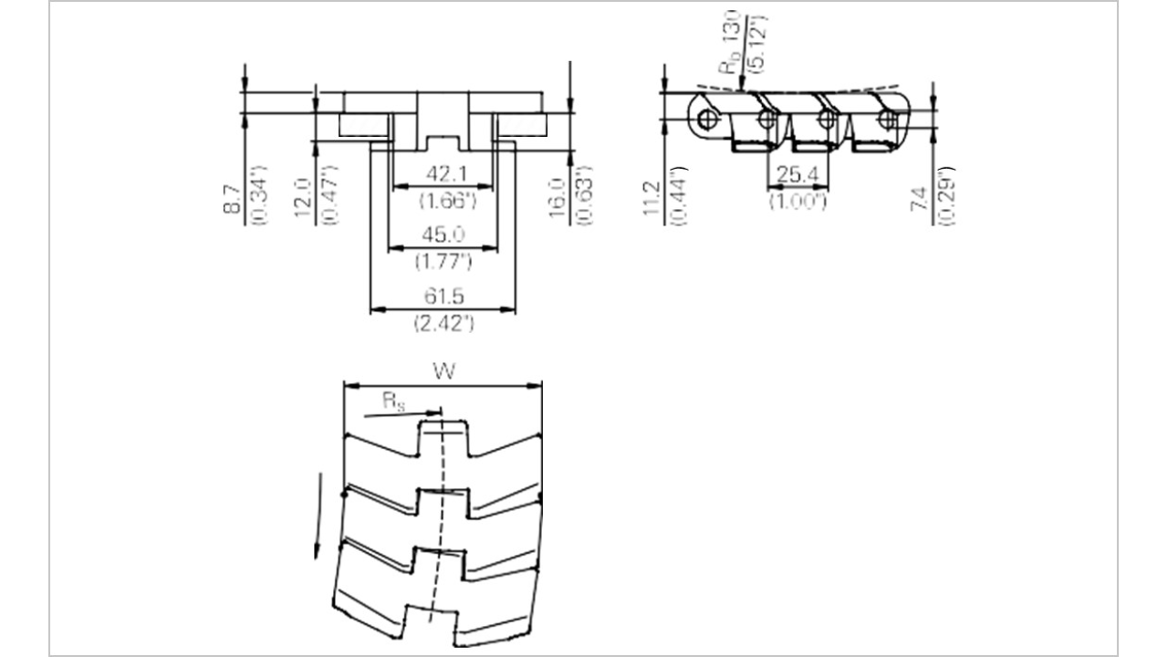
Опис:
• Пластиковий ланцюжок з радіусом ходу
• Невеликий крок для плавної передачі продукту з короткими мертвими пластинами
• Конструкція петлі 1061 = ідентична зірочка для ланцюгів серій 770 і 1061
• Для бокового перенесення за допомогою модульних ременів HabasitLINK® M2420 і M2470 Flat Top 1"
|
Habasit code |
Ширина W |
Вага |
Номінальна міцність на розрив FN |
Rs |
Material |
||||
|
mm |
inch |
kg/m |
lb/ft |
N |
lbf |
mm |
inch |
|
|
|
C1061K0330DPTA |
83.8 |
3.30 |
1.55 |
1.04 |
1650 |
371 |
500 |
19.7 |
DP |
|
C1061K0330LFTA |
83.8 |
3.30 |
1.55 |
1.04 |
1650 |
371 |
500 |
19.7 |
LF |
|
C1061K0330PTTA |
83.8 |
3.30 |
1.55 |
1.04 |
1650 |
371 |
500 |
19.7 |
PT |
|
C1061K0330TSTA |
83.8 |
3.30 |
1.55 |
1.04 |
1650 |
371 |
500 |
19.7 |
TS |
Матеріал штифта: нержавіюча сталь
• Стандартна упаковка: 3,048 м = 10 футів
• Специфікація ваги є орієнтовною
• Інші матеріали за запитом
Супутні товари
• Зірочки Multi-Hub 1060
• Вставки Multi-Hub
• Розрізні зірочки – Серія 1061