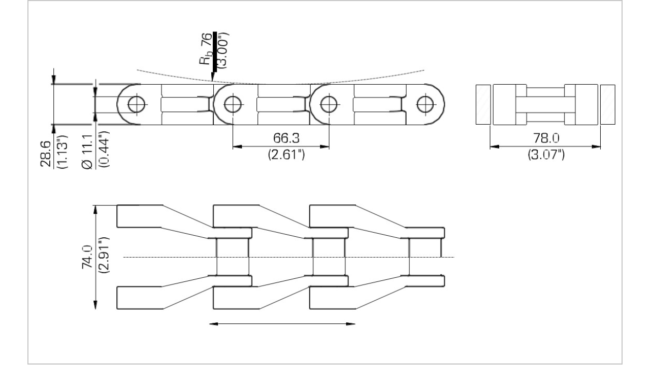
Конвеєрний ланцюг Case chain NH78 (straight)
Унікальні властивості продукції HabaCHAIN роблять вироби Habasit ідеальними для застосування в конвеєрних системах та автоматизації виробництва.
Унікальні властивості продукції HabaCHAIN роблять вироби Habasit ідеальними для застосування в конвеєрних системах та автоматизації виробництва.
Опис
• Прямий пластиковий ланцюг
• Призначений для подорожей у двох напрямках
• Міцна важка конструкція для вимогливих застосувань, таких як очищення стічних вод
|
Habasit code |
Width W |
Weight |
Nominal tensile strength FN |
Material |
|||
|
mm |
inch |
kg/m |
lb/ft |
N |
lbf |
|
|
|
CNH78P0291LFAA |
74.0 |
2.91 |
2.10 |
1.41 |
7700 |
1733 |
LF |
Матеріал штифта: нержавіюча сталь
• Стандартна упаковка: 3,048 м = 10 футів
• Специфікація ваги є орієнтовною
• Інші матеріали за запитом
• Доступні з різними розширеними конфігураціями контактів
Супутні товари
• Суцільні зірочки – Серія NH78