Продукція HabaCHAIN забезпечує магнітні властивості, що дозволяє надійно утримувати та керувати деталями у спеціалізованих системах, що робить конвейєрні ланцюги ідеальним вибором для промислових застосувань.
Продукція HabaCHAIN забезпечує магнітні властивості, що дозволяє надійно утримувати та керувати деталями у спеціалізованих системах, що робить конвейєрні ланцюги ідеальним вибором для промислових застосувань.
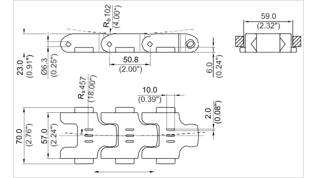
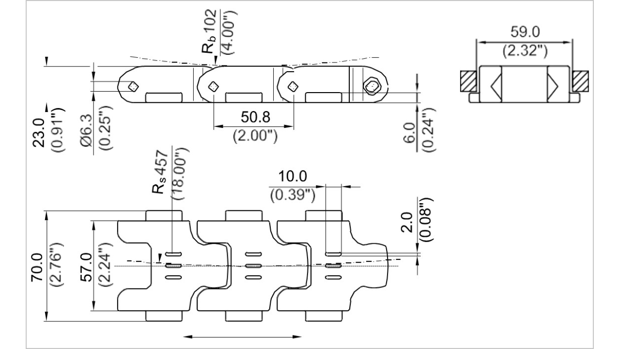
Опис
• Пластиковий ланцюжок з радіусом ходу
• Дизайн з перфорованим плоским верхом
• Конусні прорізи для зменшення захоплення транспортованого продукту
• Безпечна версія для захисту від защемлення
• Призначений для подорожей у двох напрямках
|
Habasit code |
Ширина W |
Вага |
Номінальна міцність на розрив FN |
Material |
|||
|
mm |
inch |
kg/m |
lb/ft |
N |
lbf |
|
|
|
C1211P0224DPTB-00N |
57.0 |
2.24 |
1.51 |
1.01 |
3100 |
698 |
DP |
Матеріал штифта: нержавіюча сталь
• Стандартна упаковка: 3,048 м = 10 футів
• Інші матеріали за запитом
• Специфікація ваги є орієнтовною
Супутні товари
• Суцільні зірочки – Серія 1200